Будьте всегда в курсе!
Узнавайте о скидках и акциях первым
Промышленный считыватель кодов ACE -ID2013M-W может считывать различные типы одномерных
и двухмерных кодов с максимальной скоростью считывания до 72 кодов в секунду.
Промышленный считыватель кодов ACE -ID2013M-W может считывать различные типы одномерных
и двухмерных кодов с максимальной скоростью считывания до 72 кодов в секунду.
Использует алгоритм глубокого обучения для надежной обработки изображений и
может распознавать различные коды.
Ключевые особенности
| ИК подсветка | Красный |
| Управление фокусом | Ручная. На задней панели |
| Пиксели | 4 µm × 4 µm |
| Подсветка задняя | Красный |
| Рабочая дистанция | 40 мм ~ 120 мм |
| Разрешение | 1280 × 1024 |
| Тип затвора | Global shutter |
| RGB | Монохром |
| Усиление | 0 dB ~ 15 dB |
| Индикация | Питание (PWR), сеть (LNK), статус (STS) |
| Формат сенсора | 1/2.7" ,CMOS |
| Максимальная скорость видео | 60 к/с |
| Электропитание | 12 VDC ~ 24 VDC |
| Поддерживаемы коды | 1- мерные: Code 39, Code 93, Code 128, ITF 14, ITF 25, CodaBar, EAN 8, EAN 13, UPCA, UPCE / 2- мерные: QR Code, Data Matrix |
| Максимальная производительность | 72 код/сек |
| Цифровые интерфейсы | Питание, I/O 1 вход- 2 выход, RS-232 × 1 |
| Штатное приложение | IDMVS |
| Система прицеливания | Зеленый LED |
| Объектив, мм | Фиксированный М12, f=6.72 мм |
| Затвор, сек | 35 μs ~ 1 сек |
| Чувствительность, Люкс | 0 lux ~ 50000 lux |
| Поддерживаемые протоколы | Smart SDK, TCP Client, Serial, FTP, TCP Server, Profinet, MELSEC/SLMP, Ethernet/IP, ModBus,UDP, Fins |
| Класс защиты | IP65 |
| Потребляемая мощность, Вт | 4 W @ 24 VDC |
| Рабочие температуры, С | t= 0 °C to 50 °C |
| Рабочая влажность, % | 20% ~ 95% |
| Материал корпуса | Металл, черный |
| Интерфейс | RJ45, Ethernet (100 Mbit/s) |
| Дополнительно | Запуск устройства нажатием кнопки на боковой панели |
| Цвет | Черный |
| Сертификаты | CE, RoHS, KC |
| Вес | 160 г |
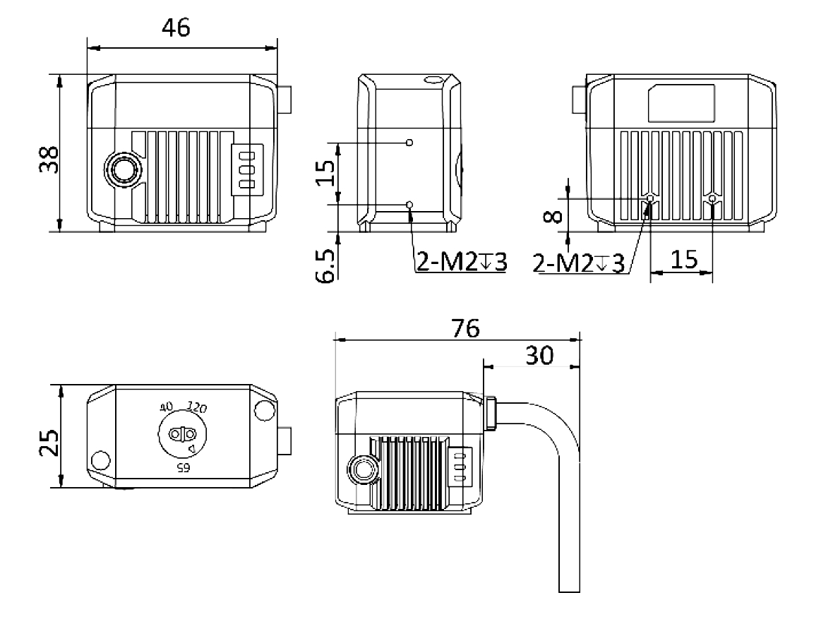
| Размеры | 46 × 38 × 25 мм |